counter sink screw

April 09, 2021

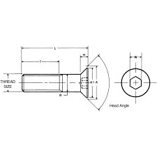
The basic requirement for countersunk head screws is that the head should fit into a countersunk hole with as great a degree of flushness as possible. Fig. 18.7 and Table 18.5 give dimensions. To achieve this it is necessary for both the head of the screw and the countersunk hole to be controlled within prescribed limits. Steel Countersink Set (3-Piece) Get a fast and efficient way to switch from Get a fast and efficient way to switch from screw driving to hole drilling and back with the DEWALT Steel Countersink Set. By just tightening the Rapid Load Holder (sold separately)

suggestion:

countersink screws
countersink screw bit
countersunk screw angle
countersunk screw head
countersunk screw hole
countersink screwfix
countersunk head screw
countersunk screw jig
countersunk screw dimensions
countersunk screw sizes

You Might Also Like

0 comments